Accessible Design in Public Housing: NYCHA Staff Training Program

Version 4.0 July, 2001

 introduction | instructions | home

 
© Edward Steinfeld and Danise Levine, 2001
Additional information
Dwelling Units
Bathtub

Note: Before completing this section, it is important to complete the Bathroom section to learn about the special VCA requirements. 

Section 4.34.5.4
If a bathtub is provided, is it accessible?

Check the features below one by one.
Section 4.34.5.4(1)
Clear floor space
Figure 1
Figure 2 has been modified from the actual UFAS illustration to show that the VCA allows the placement of the water closet within the required clear floor space at bathtubs as on the right.  
Is a clear floor space provided as shown in Figure 2?

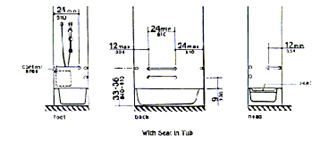
Clear floor space at bathtubs
Figure 2 (UFAS Figure 33a)

    

Section 4.34.5.4(2)
figure6.jpg (61406 bytes)
Figure 3

Is a seat provided?

    
Tub seats are beneficial for many people. However, if they are not needed, they can get in the way of using a bathtub. Most NYCHA bathrooms are too small to provide storage of the seat in the room. Thus, many residents prefer not to have a bath seat. 
Is the seat mounted securely and does it not slip during use?
 
Note: The tub seats might not be present at time of inspection. NYCHA furnishes tub seats when resident occupies an apartment. 

    
 
Section 4.34.5.4(3)
Are structural reinforcements or other provisions that will allow installation of grab bars provided?

Note: NYCHA provides grab bars in all accessible units. Structural reinforcement is not an issue.

    
Bar length
Figure 4

If grab bars are installed, are they as shown in Figure 5?
Grab bars
Figure 5 (UFAS Figure 34a)

    

Section 4.16.4;4.26
diameter.jpg (11135 bytes)
Figure 6

Is the diameter of the grab bar between 1 1/4 inch and 1 1/2 inch?

    
If the bar is not circular in section, does the shape provide an equivalent gripping surface? (see Figure 6)

    
Are the grab bars 1 1/2 inch away from the wall? (see Figure 6)

    
Are the grab bars secured so that they do not rotate within their fittings? (see Figure 6)

    
Is the grab bar and the wall adjacent to it free of any sharp or abrasive elements (see Figure 6)?

    
Section 4.34.5.4(4)
Bathroom from a NYCHA apartment

tub1.jpg (19013 bytes)
This bathroom provides complaint controls and grab bars in the tub area.
Tub controls
Figure 7

Are the controls located as shown in Figure 8?
seat2.jpg (17523 bytes)
Figure 8 (UFAS Figure 34b)

    

 

Section 4.34.5.4(4); 4.27.4;
showerhead.jpg (18167 bytes)
This bathroom provides a hand held shower and a long hose. In NYCHA units the shower hose is attached to the shower head and an adjustable track like in the UFAS drawings is not provided. 
Are the controls operable with one hand, and do they not require any tight grasping, pinching, or twisting of the wrist? (see Figure 7)

    
Section 4.34.5.4(5)
Is a shower unit provided which can be used as fixed unit at various heights or as a hand held shower with a hose at least 60 inches long?

    
top of page | home | next